- MOJEKAMNA.cz -
- Online poradna / jak na to -
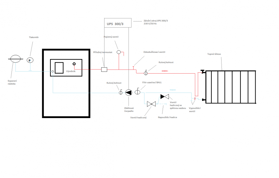
- schémata zapojení kamen
schémata zapojení kamen
Nabízíme vám
- Krbová kamna
- Kachlová kamna
- Kachlová kamna s výměníkem
- Krbová kamna s výměníkem
- Krbová kamna na pelety
- Kamna s troubou
- Krbové vložky
- Krbové obestavby
- Příslušenství
- Náhradní díly
- Zvláštní příslušenství
- Krbové nářadí
- Skla pod kamna
- Krbové vysavače
- Biokrby
- Grily
- Litinová kamna
Parametrické vyhledávání
Nejprodávanější produkty




